
| Radio Tecalemit | |
|---|---|
Marque:Técalémie |
Type: Super 57 |
Année 1935 ou 36 |
Adaptation: |
Tubes: 6A7, 6D6, 75, 42, 80 |
Type: Superhétérodyne |
Gammes d'ondes: 3 gammes. GO, PO et OC |
Retauration: décembre2020 |
![]() |
...Cette radio a été achetée pour quelques euros, lors d’un vide grenier. Elle date de 1935, avec un jeu de tubes classiques pour l’époque. |
Valeur du transfo d’alimentation:
Primaire
110v 11Ω
130v 13Ω
150v 16Ω
220v 31Ω
240v 39Ω
Secondaire
5,5v 1,2Ω
2x345v 2x342Ω
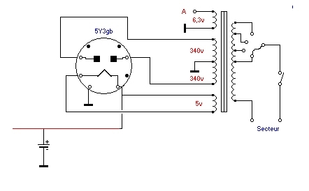
Je ne suis pas très sur que transfo est d’origine, il a une seule sortie pour la chauffe des tubes, car pour le tube 80 la HT est prise sur la broche 4, qui est aussi une des chauffes.
Idem pour la 5Y3gb, la HT est sur la broche 8, qui lui aussi sert à l’alimentation de la chauffe.
Avant de démonter le transfo, j’ai remarqué que le 6,3v, a une connexion à la masse, donc c’est impossible que cette radio pouvait fonctionner. Le condo de filtrage n’est pas d’origine et la valve non plus. En faite c’est toute l’alimentation, qui a été changé

Quand on regarde le schéma que j’ai relevé avant démontage, on peut remarquer plusieurs choses :
- la HT a un retour sur le 6,3v.
- Toutes les chauffes des tubes sont alimentées par la HT.
- Il y a un retour de la HT sur le transfo, il n’a pas apprécié!
Quand j’ai relevé les tensions à vide du transfo, j’ai été surpris, d’avoir 5.4v, 5.5v, au lieu du 6.3v, car à vide on aura plus 6.5v, mais pas 1v de moins, ce qui représente environ 15% de perte et encore à vide.
J’ai donc décidé d’alimenter le transfo juste avec un tube en charge, et la surprise ! une chute a 4,4v, et pas stable, se qui représente plus de 30% se qui est énorme. Au bout de 3 ou 4 minutes, une odeur se fait sentir, car le transfo chauffe jusqu'à fumer légèrement.
Donc cela confirme mes pensées, cette radio n’a jamais pu fonctionner avec se branchement. Je grince des dents car se genre de transfo devient de plus en plus dur à trouver, et mon stock en comporte pas plus de 10.
J’ai donc changé se dernier par un transfo , aux tensions suivantes :
Primaire
110v 11Ω
130v 13Ω
150v 16Ω
220v 31Ω
240v 39Ω
Secondaire
5,5v 1,2Ω
2x345v 2x342Ω
6,3v 1,2Ω
Et pour obtenir une alimentation classique

Transfo d’impédance
Primaire 500Ω
Secondaire 4Ω
Excitation 2,6kΩ
La suite de la restauration a été classique. Changement des condos, des fils douteux, nettoyage du potard, bombe contacte dans les supports, et le sélecteur de gamme.
Après la routine, mise sous tension juste avec la valve. La HT monte correctement au bout de quelques secondes. Attention, à vide il faut couper la radio avant que la HT dépasse l’isolation des condos d’alimentations, sinon gare à l’explosion!!!
Essai avec la 5Y3gb, la 42 et la 75. Au bout de quelques secondes une légère ronflette 50Hz se fait entendre, amplifié quand on touche le point chaud du connecteur PU.
Essai avec tous les tubes, et réception des GO, RTL et PO par mon émetteur, avec un son clair et puissant.
Je vais finir la radio par modifier le branchement PU, car son volume n’était pas piloté pas le potard, et il ne faut pas oublier qu’avec la disparation des GO et PO, toutes nos radios vont fonctionner par des petits modules. C’est un branchement récurant, j’ai beaucoup de mal à comprendre, l’intérêt que le volume du PU, ne soit pas réglable par le potard. Il y avait sans doute un intérêt à l’époque mais je ne sais pas lequel. Alors je modifie.
Cadran:
Le cadran a un accro, mais vu son âge, je vais le laisser comme ça, et ca ne gêne pas beaucoup
Caisse en bois:
La caisse n’est pas beaucoup abîmée, juste le vernis qui s’écaille, mais ça , c’est du normal. Un bon coup d’acétone, un léger ponçage, 2 couches de vermis, et elle retrouve toute sa jeunesse
Le remontage final ne pause aucun problème.
Conclusion:
Bonne sonorité, bonne sensibilité avec une puissance très convenable
Elle trouve sa place dans mon musée
Vidéo de son fonctionnement:
Photos pour le plaisir.

(©) D-F et S-M, 28 janvier 2021